もりの学校
理科
中学
電気
直列と電圧(基礎)
直列と電圧(基礎)
(問 3/9)
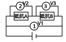
抵抗Aと抵抗Bを直列につなぎ
電圧計を3つつなぎました。
電圧計1は、5V(ボルト)を示しました。
電圧計2の電圧は何V(ボルト)でしょう。
ヒントへ進む